公司产品
合作品牌
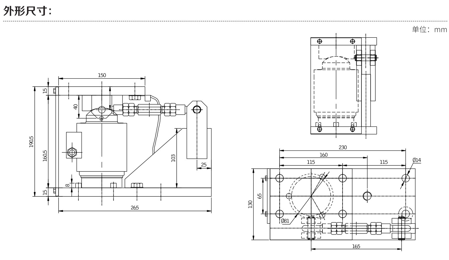
PW系列柱式称重模块
技术参数:
量程可选:10t、20t、30t、40t、50t
精确度等级:C3 装配优质称重传感器
材质:有碳钢镀镍或不锈钢材质,结构紧凑,长期稳定性好
结构:防倾覆螺栓组件可选,4只为一组配置中,其中一只模块的侧向限位拉杆须拆除
基本功能:计重、置零、去皮、累计、定值、配料,适用于槽罐的配料过程称重控制
选配功能:RS232/485,4进4出控制,Modbus,Profibus DP总线,4-20mA模拟量输出,继电器开关量输出等
传感器可选:托利多、HBM、中航、柯力
防爆可选:防爆标志Ex ia IIC T4 Ga
整套设备含:顶板、底板、称重传感器、压头及支撑螺栓、接线盒、电缆、称重控制器等部件构成。
规格型号:
型号 | PW-10 | PW-20 | PW-30 | PW-40 | PW-50 |
最大称量 | 10t | 20t | 30t | 40t | 50t |
分度值 | 10kg | 20kg | 20kg | 20kg | 50kg |
安全过载 | 200% | ||||
极限过载 | 500% | ||||
防护等级 | IP65/IP68 | ||||
电缆长度 | 4/5/6/10m | ||||
其他说明:
有腐蚀性化工区可选配全不锈钢称重模块,装配不锈钢焊接密封传感器,防护等级IP68,可在各种恶劣环境下使用
提供相应的带4-20mA模拟量输出的模块,安装简单、快速
维护方便,节约停机维护时间
适用于恶劣环境下,大吨位槽罐的配料称重控制
可替代赛多利斯的6143系列模块和替代梅特勒-托利多PGW系列模块


料罐称重模块 不锈钢防爆模块
高精度称重模块 食品与饮料厂称重模块
化工及机械称重模块 动载/静载称重模块
防冲击、防倾覆、带限位称重模块 可替代进口品牌
可满足工业生产中的各种动载及静载称量需求
大吨位称重模块采用柱式或桥式传感器
配置上下底板,承重压头、水平拉杆和防倾覆螺栓组成
具有精度高、稳定性好,安装方便等特点
特别适合大吨位料仓的称重装置
柱式称重模块采用柱式传感器
配置上下底板,承重压头、水平拉杆和防倾覆螺栓组成
具有精度高、稳定性好,安装方便等特点
特别适合大吨位料仓的称重装置。
500kg~20t动载称重模块 动态称重传感器
不分安装及组合方式,含上下安装板、传感器、竖向防倾覆螺栓
广范应用于将罐体或其他机械结构改造成称重装置
如滚道、平台、立罐、槽罐、料斗等
特别适用于槽罐的配料过程称重控制
300kg~20t静载称重模块 组合式称重秤
固定式模块、半浮动式模块和全浮动式模块
根据不同组装方式可以分成这三种类型组合方式
这种模块组合可以消除因容器受力变形或热胀冷缩而引起传感器受力点变化的影响,广范应用于将罐体或其他机械结构改造成称重装置
如滚道、平台、立罐、反应釜、槽罐、料斗等
动静两用称重模块,带水平拉杆
采用剪切梁称重传感器,精度高、长期稳定性好
配上下底板、压头、水平拉杆及防倾斜螺栓组成动静载两用称重模块
解决了承载设备的水平限位和防倾覆的问题
小量程称重模块,高精度称重模块
用于检重秤、皮带秤、分选秤、包装秤、配料秤、料斗称重等
含上下安装板、波纹管传感器、竖向防倾覆螺栓
材质碳钢,镀镍处理,不锈钢材质可选